

核心作用
在设备旋转部分(如机械臂关节、旋转工作台、塔吊回转机构)与固定液压源之间建立通道,确保液压油、润滑油、冷却液等介质在旋转运动中不中断传输,保障设备的动力驱动、润滑或冷却功能正常运行,实现机身旋转时的动力供应;
产品优势
部分液压滑环支持同时传输多种介质(如液压油+冷却液)或多通路独立传输,满足复杂设备的多样化需求,避免单一通路限制设备功能扩展。
低摩擦与低扭矩:旋转阻力小,不影响设备旋转灵活性,确保旋转运动平稳,降低能耗。
集成化设计可减少管路布局的复杂性,尤其在多通路需求场景中,通过一个滑环实现多介质传输,优化设备内部空间,降低安装难度。
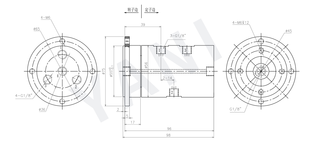
产品规格
| 通道数 | 4进4出 | 介质 | 液压油 |
| 接头气管 | G1/8" | 工作温度 | -20°C~+60°C |
| 气压 | 0~ 1Mpa | 材料 | 不锈钢 |
| 转速 | 0-300RPM(可定制) |

核心作用
在设备旋转部分(如机械臂关节、旋转工作台、塔吊回转机构)与固定液压源之间建立通道,确保液压油、润滑油、冷却液等介质在旋转运动中不中断传输,保障设备的动力驱动、润滑或冷却功能正常运行,实现机身旋转时的动力供应;
产品优势
部分液压滑环支持同时传输多种介质(如液压油+冷却液)或多通路独立传输,满足复杂设备的多样化需求,避免单一通路限制设备功能扩展。
低摩擦与低扭矩:旋转阻力小,不影响设备旋转灵活性,确保旋转运动平稳,降低能耗。
集成化设计可减少管路布局的复杂性,尤其在多通路需求场景中,通过一个滑环实现多介质传输,优化设备内部空间,降低安装难度。
产品规格
| 通道数 | 4进4出 | 介质 | 液压油 |
| 接头气管 | G1/8" | 工作温度 | -20°C~+60°C |
| 气压 | 0~ 1Mpa | 材料 | 不锈钢 |
| 转速 | 0-300RPM(可定制) |

// ... existing code ...