

核心作用
实现旋转喷涂过程中流体介质的旋转传输,在喷涂设备的旋转部件(如旋转工作台、喷涂机械臂关节、自带往复旋转喷涂机)与固定供料之间建立传输通道,确保涂料、油漆、脱模剂等流体介质在设备旋转过程中不中断传输,保证喷涂作业连续进行.实现360°无死角喷涂.
产品优势
对油性油漆至少八个月不漏油、不换密封圈
避免管路缠绕,保障喷涂连续性
密封性能好,传输效率高,减少涂料浪费与污染
此喷涂滑环可以适配多样涂料与工况
提升喷涂效率和喷涂均匀度
设计精巧,安装难度低
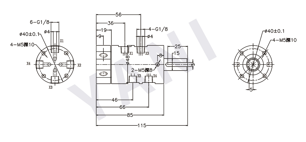
产品规格
| 通道数 | 4进4出 | 介质 | 压缩空气 |
| 接头气管 | G1/8" | 工作温度 | -20°C~+60°C |
| 气压 | 0~ 1Mpa | 材料 | 不锈钢304 |
| 转速 | 0-500RPM |

核心作用
实现旋转喷涂过程中流体介质的旋转传输,在喷涂设备的旋转部件(如旋转工作台、喷涂机械臂关节、自带往复旋转喷涂机)与固定供料之间建立传输通道,确保涂料、油漆、脱模剂等流体介质在设备旋转过程中不中断传输,保证喷涂作业连续进行.实现360°无死角喷涂.
产品优势
对油性油漆至少八个月不漏油、不换密封圈
避免管路缠绕,保障喷涂连续性
密封性能好,传输效率高,减少涂料浪费与污染
此喷涂滑环可以适配多样涂料与工况
提升喷涂效率和喷涂均匀度
设计精巧,安装难度低
产品规格
| 通道数 | 4进4出 | 介质 | 压缩空气 |
| 接头气管 | G1/8" | 工作温度 | -20°C~+60°C |
| 气压 | 0~ 1Mpa | 材料 | 不锈钢304 |
| 转速 | 0-500RPM |

// ... existing code ...