

核心作用
核心设计特点是中心预留空心通孔,可穿入设备的传动轴、电缆束、管道、支撑杆等部件,解决旋转设备中“中心空间占用”与“介质传输”的冲突问题。
产品优势
节省空间,优化设备布局,中心通孔允许其他部件从中穿过,避免传统滑环“占用中心空间”导致的设备结构臃肿,尤其适用于小型化、集成化设备.
采用精密轴承和导电结构,旋转过程中无缠绕、无角度限制,确保电力、信号传输稳定采用精密轴承和导电结构,旋转过程中无缠绕、无角度限制,确保电力、信号传输稳定.
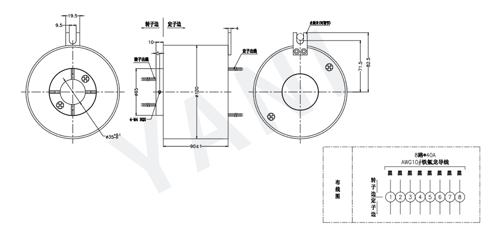
通孔尺寸、通路数量(电力/信号通路)可定制,满足不同设备的穿轴直径和传输需求.
产品规格
| 路数/电流 | 8路40A | 工作速度 | 0-250rpm |
| 内孔 | 35MM | 工作温度 | -40°C~+80°C |
| 电压 | 0-380VAC/VDC | 材料 | 铝合金 |
| 电阻 | 800MΩ@1000VDC |

核心作用
核心设计特点是中心预留空心通孔,可穿入设备的传动轴、电缆束、管道、支撑杆等部件,解决旋转设备中“中心空间占用”与“介质传输”的冲突问题。
产品优势
节省空间,优化设备布局,中心通孔允许其他部件从中穿过,避免传统滑环“占用中心空间”导致的设备结构臃肿,尤其适用于小型化、集成化设备.
采用精密轴承和导电结构,旋转过程中无缠绕、无角度限制,确保电力、信号传输稳定采用精密轴承和导电结构,旋转过程中无缠绕、无角度限制,确保电力、信号传输稳定.
通孔尺寸、通路数量(电力/信号通路)可定制,满足不同设备的穿轴直径和传输需求.
产品规格
| 路数/电流 | 8路40A | 工作速度 | 0-250rpm |
| 内孔 | 35MM | 工作温度 | -40°C~+80°C |
| 电压 | 0-380VAC/VDC | 材料 | 铝合金 |
| 电阻 | 800MΩ@1000VDC |

// ... existing code ...