亚妮制造-亚妮滑环-东莞市亚妮制造有限公司
亚妮制造-亚妮滑环-东莞市亚妮制造有限公司
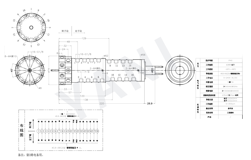
16路气电滑环-G1/8"气-YN6208-1601-S16(YN25-01-06)
分享

分享到微信

×
气电滑环(又称气电组合滑环、气电旋转接头)是专为旋转设备中传输压缩空气、氮气、等气体介质与电力/信号传输功能设计的部件,为旋转部件上的电机、传感器、电磁阀等供电,或传输控制信号,替代传统软管或硬管直接连接,解决旋转运动中气管“缠绕、扭曲、拉扯”导致的断裂、漏气问题,同步实现气体与电力/信号的稳定传输。
产品详情

核心作用

同步传输气体/与电力/信号,在设备旋转部分与固定部分之间建立双通道连接:传输气体如压缩空气、氮气、真空负压等,用于驱动气动元件(气缸、气动夹具)、吹扫清洁或真空吸附。

传输电力/信号:为旋转部件上的电机、传感器、电磁阀等供电,或传输控制信号

支持旋转运动的连续作业

解决传统分离式连接(气动管路+电线)在旋转时“管路缠绕、线缆拉扯”的问题,保障设备360°无限制旋转时,气体、电力、信号不中断,确保设备连续运行。

产品优势

一体化设计,简化设备结构,替代独立的气动旋转接头和电气滑环,将气体通路与电气通路集成在一个部件中,减少设备空间占用,简化管路和线缆布局,降低安装和调试难度。

避免多介质传输干扰

内部采用隔离设计,气体通路与电气通路互不干扰,防止气体泄漏影响电气元件绝缘性,或电气信号干扰气动控制精度,保障传输稳定性

产品规格

图纸水印.jpg

16路气电滑环-G1/8"气-YN6208-1601-S16(YN25-01-06) 16路气电滑环-G1/8"气-YN6208-1601-S16(YN25-01-06) 16路气电滑环-G1/8"气-YN6208-1601-S16(YN25-01-06)
16路气电滑环-G1/8"气-YN6208-1601-S16(YN25-01-06)
16路气电滑环-G1/8"气-YN6208-1601-S16(YN25-01-06)
16路气电滑环-G1/8"气-YN6208-1601-S16(YN25-01-06)

16路气电滑环-G1/8"气-YN6208-1601-S16(YN25-01-06)

分享

分享到微信

×
气电滑环(又称气电组合滑环、气电旋转接头)是专为旋转设备中传输压缩空气、氮气、等气体介质与电力/信号传输功能设计的部件,为旋转部件上的电机、传感器、电磁阀等供电,或传输控制信号,替代传统软管或硬管直接连接,解决旋转运动中气管“缠绕、扭曲、拉扯”导致的断裂、漏气问题,同步实现气体与电力/信号的稳定传输。
18027075865(陈生) 13592787909(莫生)
产品详情

核心作用

同步传输气体/与电力/信号,在设备旋转部分与固定部分之间建立双通道连接:传输气体如压缩空气、氮气、真空负压等,用于驱动气动元件(气缸、气动夹具)、吹扫清洁或真空吸附。

传输电力/信号:为旋转部件上的电机、传感器、电磁阀等供电,或传输控制信号

支持旋转运动的连续作业

解决传统分离式连接(气动管路+电线)在旋转时“管路缠绕、线缆拉扯”的问题,保障设备360°无限制旋转时,气体、电力、信号不中断,确保设备连续运行。

产品优势

一体化设计,简化设备结构,替代独立的气动旋转接头和电气滑环,将气体通路与电气通路集成在一个部件中,减少设备空间占用,简化管路和线缆布局,降低安装和调试难度。

避免多介质传输干扰

内部采用隔离设计,气体通路与电气通路互不干扰,防止气体泄漏影响电气元件绝缘性,或电气信号干扰气动控制精度,保障传输稳定性

产品规格

图纸水印.jpg

询价表单

INQUIRY FORM

表单

标题*

姓名*

手机号*

邮箱

内容

// ... existing code ...